Holley EFI

HARNESS KIT, LS1/6, 24X, BOSCH/JETRONIC - GM LS 24X EFI HARNESS KIT

Sale price £1,199.94 GBP inc VAT Regular price £1,349.94 GBP
Shipping calculated at checkout.
SKU: 558-500

In Stock

UK warehouse: 0

US warehouse: 6

Delivery ETA: Jan 07 – Jan 12
US warehouse
Ships from our US warehouse.
Price shown is final for UK customers - duties & VAT included. No extra fees.
Build check

Is this right for your build?

Unsure if this is the right choice for your car or project? The Billy's team can check fitment, supporting parts and make recommendations before you purchase.

This message will include the product details and SKU you are currently viewing so we can talk about the exact parts in front of you.

We regularly support complex conversions and high value engine and driveline packages. If anything in your plan looks like it wont fit or incomplete, we will highlight it and suggest alternatives.

Product Details

🔧

Vehicle Compatibility

Fits HARNESS KIT, LS1/6, 24X, BOSCH/JETRONIC - GM LS 24X EFI HARNESS KIT.

Please refer to manufacturer specifications for complete compatibility information.

Key Features

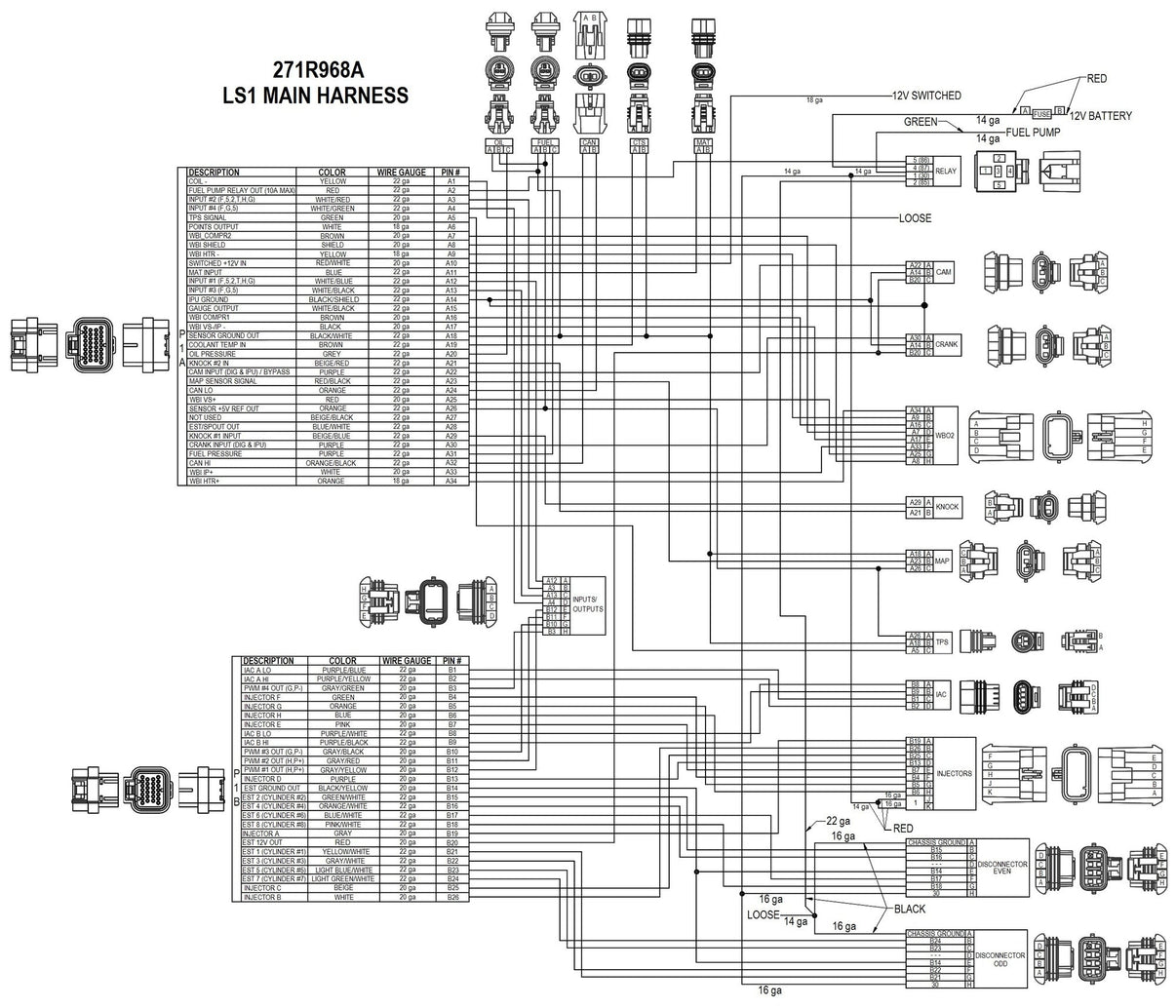
GM LS1/6, 24X Crank Sensor, Bosch Injector
  • Harness Kit Includes; Main Power Harness, LS1 Main Harness & V-8 Injector harness
  • Simple Installation
  • Works with HP or Dominator ECU's
📋

Product Specifications

Brand
Holley EFI
Collection
Air & Fuel Delivery
Collection
Air & Fuel Delivery - Fuel Injection (EFI)
Harness Application
LSX
Menu
Wire
Part Type
Fuel Injection Harness
Product Type
Harness Kit
📦

Package Contents

Kit includes all necessary components. Please refer to manufacturer specifications for detailed package contents.