Press & drag to view
Holley EFI
Product Details
🔧
Vehicle Compatibility
Select your vehicle to verify compatibility:
⭐
Key Features
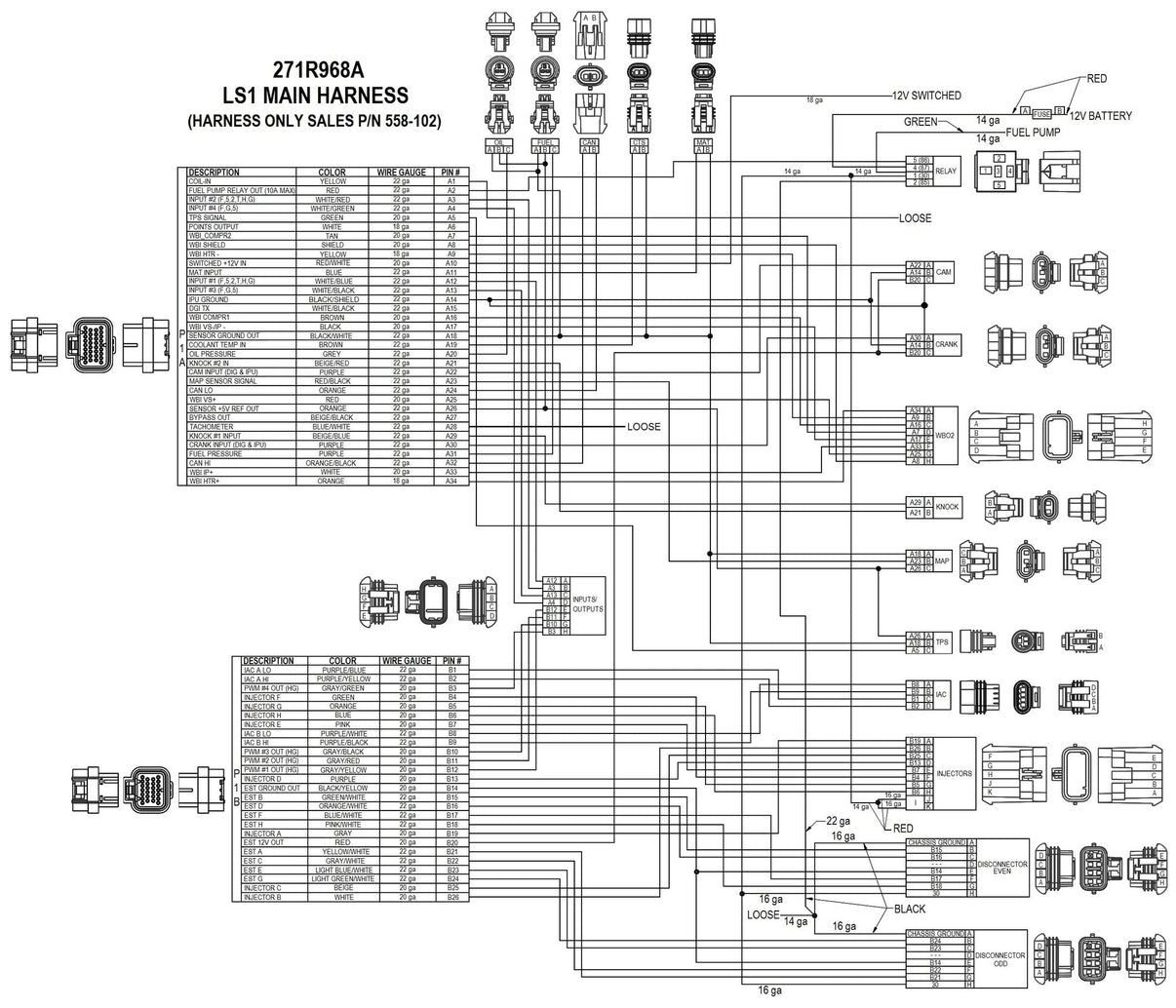
LS1/6 Main Harness for HP EFI & Dominator EFI
📋
Product Specifications
Brand
Holley EFI
Collection
Air & Fuel Delivery
Collection
Air & Fuel Delivery - Fuel Injection (EFI)
Crank Reluctor
24x
Harness Application
LSX
Harness Type
Main
Product Type
LS Main Engine Harness
📦
Package Contents
Kit includes all necessary components. Please refer to manufacturer specifications for detailed package contents.