Press & drag to view
Product Details
🔧
Vehicle Compatibility
Select your vehicle to verify compatibility:
⭐
Key Features
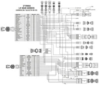
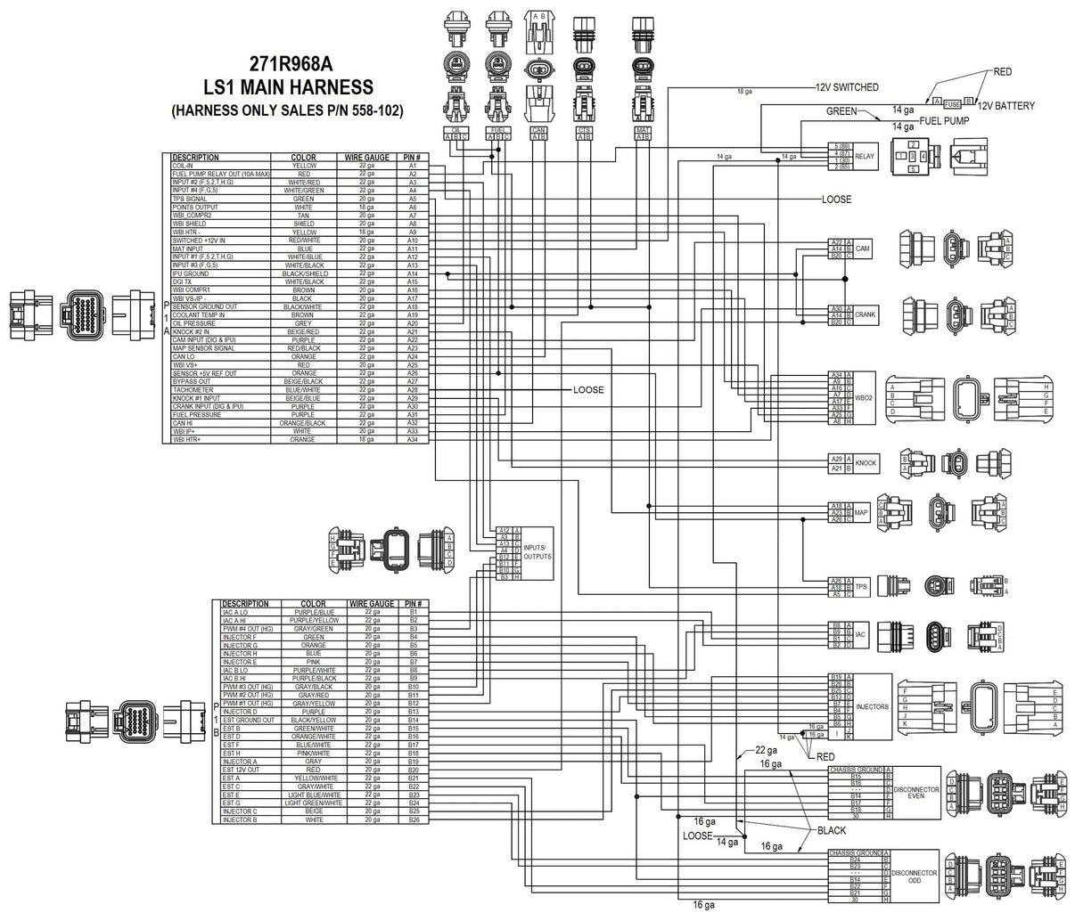
Holley EFI Terminator X Max - LS1/LS6
Take control of your LS engine with Terminator X Max! Don't settle for a junkyard ECU with a cumbersome tuning interface when you can have complete control of your engine, self-learning fuel strategies and the proven, race-winning technology of Holley EFI at a budget-friendly price!
Terminator X Max features real-time fuel learn, high impedance injector drivers, an integrated 1bar MAP sensor, and 4 programmable inputs and outputs. The inputs and outputs are ideal for electric fans, boost control solenoids, progressive nitrous control, and much more. Part number 550-916 also has 4L60E or 4L80E Transmission control. Terminator X Max comes fully loaded with base maps for common LS engine combinations to get you out of the garage and on the road/track fast. These Terminator X kits include a USB/CAN tuning cable instead of the 3.5" Handheld LCD, these kits require the use of the free Terminator X Software for initial setup. The Terminator X Software includes multiple base calibrations to choose from for either naturally aspirated or boosted engines. Also included is Holley EFI's industry-leading, easy to use software suite that allows full laptop access for advanced users. Whether you are building a budget beater or a boosted race car, Terminator X MAX has the features and technology you need at a price that won't break the bank!
Take control of your LS engine with Terminator X Max! Don't settle for a junkyard ECU with a cumbersome tuning interface when you can have complete control of your engine, self-learning fuel strategies and the proven, race-winning technology of Holley EFI at a budget-friendly price!
Terminator X Max features real-time fuel learn, high impedance injector drivers, an integrated 1bar MAP sensor, and 4 programmable inputs and outputs. The inputs and outputs are ideal for electric fans, boost control solenoids, progressive nitrous control, and much more. Part number 550-916 also has 4L60E or 4L80E Transmission control. Terminator X Max comes fully loaded with base maps for common LS engine combinations to get you out of the garage and on the road/track fast. These Terminator X kits include a USB/CAN tuning cable instead of the 3.5" Handheld LCD, these kits require the use of the free Terminator X Software for initial setup. The Terminator X Software includes multiple base calibrations to choose from for either naturally aspirated or boosted engines. Also included is Holley EFI's industry-leading, easy to use software suite that allows full laptop access for advanced users. Whether you are building a budget beater or a boosted race car, Terminator X MAX has the features and technology you need at a price that won't break the bank!
📋
Product Specifications
Accelerometer Support
Yes
Boost Control
Yes
Brand
Holley EFI
CAN-BUS Support
Yes
Category
Air and Fuel Delivery
Coil Per Cylinder Ignition Support
Yes
Color
Black
Crank Reluctor
24x
Datalogging Support
Yes
Distributor Included
No
Drive-By-Wire
No
Dry Nitrous Control
Yes
e85 Support
Yes
EGT Support
Yes
Emission Code
3
Engine
GM LS1/LS2/LS6
Forced Induction Support
Yes
Fuel Filter Included
No
Fuel Hose Included
No
Fuel Injectors Included
No
Fuel Pressure Regulator Included
No
Fuel Pump Included
No
Grade Type
Performance
Handheld Included
No
Idle Air Control Motor Included
No
Ignition Timing Control
Yes
Ignition Type
GM LS 24x
Individual Cylinder Fuel Corrections
Yes
Injector Connector
USCAR (EV6)
Intake Manifold Included
No
Knock Retard Support
Yes
Mounting Hardware Included
No
Multi-Stage Nitrous Control
Yes
part type
Fuel Injection System
Product Type
EFI System
Progressive Nitrous Control
Yes
Self-Tuning
Yes
Sub Category
Fuel Injection System and Related Components
Terminator LS Options
Fuel
Throttle Position Sensor Included
No
Transmission
4L60E/4L80E
User-Tuneable
Yes
Warning
California Proposition 65
Wet Nitrous Control
Yes
📦
Package Contents
Kit includes all necessary components. Please refer to manufacturer specifications for detailed package contents.
You may like
- Choosing a selection results in a full page refresh.
- Opens in a new window.